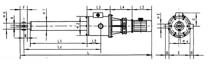
DTT型电动推杆
DTT型同轴线重型电动推杆是 我公司成立前针对国内中,大推力档电动拉杆产品空白,而顾客又有需求的情况下于1988年起率先自主开发并独家生产的系列产品,是我公司多种电动推拉杆系 列产品之一。该产品已在首钢,包钢等多家大钢铁企业推广应用,也可用于其他需要大推,拉力的场合。其使用条件为环境温度-15℃-60℃,相对湿度 ≤85%。 DTT型电动推拉杆由驱动电机,减速器,滑动螺旋传动机构等主要部分组成。内部设有弹簧缓冲机构及超载保护装置,可保证产品安全,可靠地运行。 DTT型电动推拉杆的性能参数,外形及安装尺寸符合《Q/320211AKA01-2000电动推拉杆》企业标准的规定,其具体数据表列如下。 |
||||||||||||||||||||||||||||||||||||||||||||||||||||||||||||||||||||||||||||||||||||||||||||||||||||||||||||||||||||||||||||||||||||||||||||||||||||||||||||||||||||||||||||||||
|
||||||||||||||||||||||||||||||||||||||||||||||||||||||||||||||||||||||||||||||||||||||||||||||||||||||||||||||||||||||||||||||||||||||||||||||||||||||||||||||||||||||||||||||||
|
||||||||||||||||||||||||||||||||||||||||||||||||||||||||||||||||||||||||||||||||||||||||||||||||||||||||||||||||||||||||||||||||||||||||||||||||||||||||||||||||||||||||||||||||||||||||||||||||||||||||||||||||||||||||||||||||||||||||||||||||||||||||||||||||||||||||||||||||||||||||||||||||||||||||||||||||||||||||||||||||||||||||||||||||||||||||||||||||||||||||||||||||||||||||||||||||||||||||||||||||||||||||||||||||||||||||||||||||||||||||||||||||||||||||||||||||||||||||||||||||||||||||||||||||||||||||||||||||||||||||||||||||||||||||||||||||||||||||||||||||||||||||||||||||||||||||||||||||||||||||||||||||||
| 注:DTT40-DTT250采用四极电机、DTT400-DTT1000采用六极电机。 | ||||||||||||||||||||||||||||||||||||||||||||||||||||||||||||||||||||||||||||||||||||||||||||||||||||||||||||||||||||||||||||||||||||||||||||||||||||||||||||||||||||||||||||||||||||||||||||||||||||||||||||||||||||||||||||||||||||||||||||||||||||||||||||||||||||||||||||||||||||||||||||||||||||||||||||||||||||||||||||||||||||||||||||||||||||||||||||||||||||||||||||||||||||||||||||||||||||||||||||||||||||||||||||||||||||||||||||||||||||||||||||||||||||||||||||||||||||||||||||||||||||||||||||||||||||||||||||||||||||||||||||||||||||||||||||||||||||||||||||||||||||||||||||||||||||||||||||||||||||||||||||||||||

